Loading... Please wait...
Download PDF 下载PDF     打印页面     Email 发送邮件     Save To Favorites 保存到收藏夹

带密封的CARB圆环滚子轴承

在以下每个系列左侧的方框中请先打对勾选择一个系列,然后即可执行该页面其它功能的操作。
Search Items



Compare Items
   
  总计25 1 - 25 of
1

选择

品牌

基本尺寸

基本额定载荷

疲劳 负荷 极限

极限转速

重量

型号

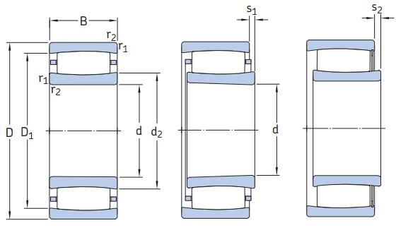
尺寸

挡肩及倒角尺寸

计算系数

d

D

B

动态

静态

d

d2 ~

D1

r1,2最小

s1 ~

da 最小

da 最大

Da 最大

ra 最大

k1

k2

VRC 65 100 35 102 173 19 150 1,10 *C4013-2CS5V 65 78,6 87,5 1,1 5,9 71 78 94 1 0,071 0,181
VRC 75 105 54 204 325 37,5 140 1,40 *C6915-2CS5V 75 83,6 95,5 1 7,1 79,6 83 100 1 0,073 0,154
VRC 75 115 40 143 193 23,2 130 1,40 *C4015-2CS5V1) 75 88,5 104 1,1 7,3 81 88 111 1 0,210 0,063
VRC 90 125 46 224 400 44 110 1,75 *C5918-2CS5V 90 102 113 1,1 4,5 96 101 119 1 0,089 0,131
VRC 100 150 50 310 450 50 95 2,90 *C4020-2CS5V1) 100 114 136 1,5 6,2 107 113 143 1,5 0,145 0,083
VRC 100 165 65 475 655 69,5 90 5,20 *C4120-2CS5V 100 120 148 2 7,3 111 119 154 2 0,09 0,125
VRC 110 170 60 415 585 63 85 4,60 *C4022-2CS5V1) 110 128 155 2 7,9 119 127 161 2 0,142 0,083
VRC 110 180 69 500 710 75 85 6,60 *C4122-2CS5V 110 130 160 2 8,2 121 129 169 2 0,086 0,133
VRC 120 180 60 430 640 67 80 5,10 *C4024-2CS5V 120 140 164 2 7,5 129 139 171 2 0,085 0,142
VRC 120 200 80 710 1000 100 75 9,70 *C4124-2CS5V1) 120 140 176 2 8,2 131 139 189 2 0,126 0,087
VRC 130 200 69 550 830 85 70 7,50 *C4026-2CS5V 130 152 182 2 8,2 139 151 191 2 0,089 0,133
VRC 130 210 80 750 1100 108 70 10,5 *C4126-2CS5V 130 153 190 2 7,5 141 152 199 2 0,09 0,126
VRC 140 210 69 570 900 88 67 7,90 *C4028-2CS5V1) 140 163 193 2 8,7 149 162 201 2 0,133 0,089
VRC 140 225 85 780 1200 116 63 12,5 *C4128-2CS5V 140 167 204 2,1 8,9 152 166 213 2 0,086 0,134
VRC 150 225 75 585 965 93 63 10,0 *C4030-2CS5V 150 175 204 2,1 10,8 161 174 214 2 0,084 0,144
VRC 150 250 100 1220 1860 173 60 20,5 *C4130-2CS5V1) 150 179 221 2,1 6,4 162 178 238 2 0,103 0,103
VRC 160 240 80 655 1100 104 60 12,0 *C4032-2CS5V1) 160 188 218 2,1 11,4 170 187 230 2 0,154 0,079
VRC 160 270 109 1460 2160 200 53 26,0 *C4132-2CS5V1) 160 190 241 2,1 6,7 172 189 258 2 0,101 0,105
VRC 170 260 90 965 1630 150 53 17,0 *C4034-2CS5V1) 170 201 237 2,1 9 180 199 250 2 0,116 0,097
VRC 170 280 109 1530 2280 208 53 27,0 *C4134-2CS5V1) 170 200 251 2,1 6,7 182 198 268 2 0,101 0,106
VRC 180 280 100 1320 2120 193 53 23,5 *C4036-2CS5V1) 180 204 246 2,1 6,4 190 202 270 2 0,103 0,105
VRC 180 300 118 1760 2700 240 48 35,0 *C4136-2CS5V1) 180 211 265 3 6,4 194 209 286 2,5 0,095 0,11
>>
<<
  总计 1 - 25 of 25
1
版权所有©2016 山东宇轴轴承有限公司|中国山东聊城|4006351002|584719188@qq.com
鲁ICP备16030116号